| Sign In | Join Free | My portofva.com |
|
Brand Name : GUOGUANG
Model Number : GCMW-2015
Place of Origin : SIchuan,China(Mainland)
MOQ : Negotiation
Price : Negotiation
Payment Terms : T/T
Supply Ability : 200 Pieces per year
Delivery Time : one month
Packaging Details : Export packing-layer board box/carton box
Used for : Industrial microwave heating, Sintering,Thawing, Microwave plasma CVD
Type : Microwave Oven Parts
Frequency : 2450MHz
Output power : 15kW
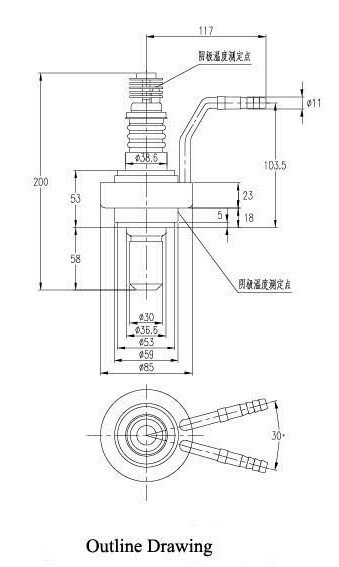
GCWM-2015 15kW/2450MHz CW Magnetron
GCWM-2015 is a directly-heated pure tungsten cathode, non-packaged, CW magnetron of metal ceramic construction. Its magnetic field must be supplied by electromagnet installed outside of magnetron. The cathode pinout and output terminal adopt Forced air, the anode use direct water cooling. Microwave power be output from axial antenna of magnetron, and it can directly launch into WR430 waveguide for microwave head of microwave system equipment.
| Main Parameter |
| Specification Typical |
| Frequency:………………………2420-2480MHz ……………2450MHz |
| Output Power:……………………………………………………15 kW |
| Anode Voltage:………………………………………………Max. 12.6 kV |
| Anode Current:……………………………………………… Max. 1.8 A |
| Filament Voltage(standby): ………7.8V - 9.2V…………………8.5 V |
| Filament Current:…………………………………………………47 A |
| Electromagnet Current:………………………………………… 3.2 A |
| Cooling |
| Anode Cooling Water Flow Rate:…………………………………8 l/min |
| Filament Terminal Air Cooling:…………………………………0.1 m3/min |
| Output Ceramic Window Air Cooling:…………………………0.3 m3/min |

|
|
Industrial Microwave Oven Parts 15kW 2450MHz Continuous Wave Images |